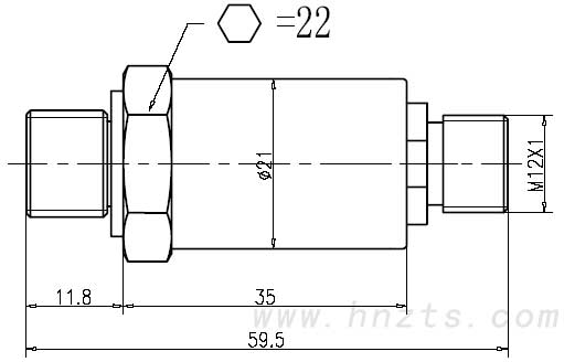
CYB320-C3型工程機械壓力變送器外形CAD圖
發布時間:2020-7-12??????發布人:湖南澤天??????點擊:
CYB320-C3型工程機械壓力變送器外形CAD圖,標注了采用防水出線方式作為電氣連接的工程機械壓力傳感器的詳細尺寸,用戶可以根據該圖設計合理的安裝配套螺紋規格和合適的安裝空間。采用M12電連接器具有拆卸方便,連接可靠,密封防水效果好的特點,是目前國際上同類產品應用比較廣泛的連接方式。
文件下載:CYB320-C3WX Model (1).pdf (點擊即可下載)
- 上一篇:CYB320-C4型工程機械壓力變送器外形CAD圖 2020/7/13
- 下一篇:CYB320-C1型工程機械壓力變送器外形CAD圖 2020/7/12

