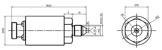
CYB345Q高頻率響應壓力變送器外形尺寸CAD圖
發布時間:2021-9-5??????發布人:澤天傳感??????點擊:
文件下載:CYB345Q-WX Model (1).pdf (點擊即可下載)
- 上一篇:ZVS750振動溫度一體化傳感器外形尺寸CAD圖 2022/3/31
- 下一篇:CYB239防爆壓力變送器外形尺寸CAD圖 2020/8/5

地址:湖南湘江新區麓谷街道桐梓
坡西路229號金泓園A4棟301-01
電話:0731-85451411
手機:18008400988(劉工)
手機:13973107632(曹經理)
手機:19073173303(蘇經理)
QQ :463611500
郵件:sales@hnzts.com